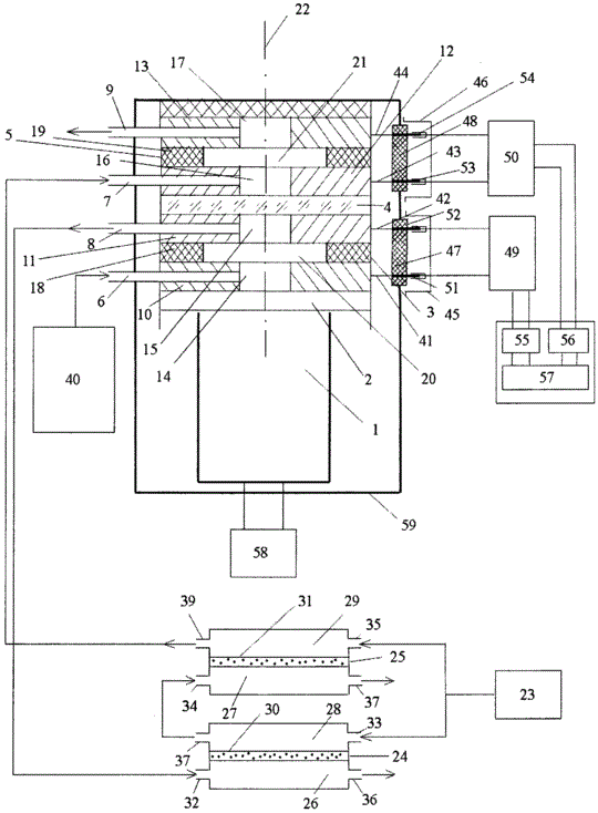
Фотоионизационный генераторный детектор для газовой хроматографии, содержащий лампу ультрафиолетового излучения, снабженную плоским выходным окном, на котором расположены друг над другом первая проточная камера, кварцевая пластина и вторая проточная камера, причем эти камеры снабжены входными и выходными штуцерами, а каждая из них образована двумя дисковыми электродами с центральными отверстиями одинакового диаметра, расположенными друг над другом и выполненными из металлов с различными работами выхода электронов, при этом между электродами расположены фторопластовые прокладки с центральными отверстиями, диаметры которых превышают диаметры отверстий электродов, а оси симметрии отверстий электродов, фторопластовых прокладок и лампы ультрафиолетового излучения совмещены, отличающийся тем, что детектор дополнительно содержит стабилизатор расхода газа и две диффузионные ячейки, каждая из которых состоит из подающей и принимающей камер, разделенных пористыми мембранами и снабженных входными и выходными штуцерами, при этом входной штуцер подающей камеры первой диффузионной ячейки соединен с выходным штуцером первой проточной камеры, а входной штуцер подающей камеры второй диффузионной ячейки соединен с выходным штуцером принимающей камеры первой диффузионной ячейки, выходной штуцер принимающей камеры второй диффузионной ячейки соединен с входным штуцером второй проточной камеры, кроме того, входные штуцеры принимающих камер соединены со стабилизатором расхода газа-носителя, причем выходные штуцеры подающих камер обеих диффузионных ячеек соединены с атмосферой, а также входной штуцер первой проточной камеры подключен к выходу хроматографа, дисковые электроды первой и второй проточных камер с помощью проводников подключены к двуштырьевым штекерам с высокоомной изоляцией, которые выполнены с возможностью их подключения к электрометрам.
